
I recently had the opportunity to completely re-wire my Meyers Manx from one end to the other. This was only part of a total restoration process that began with a car that was in dire need of a lot of tender loving care. By the end of the process, about the only part remaining from the original car was the fiberglass body. Bruce Meyers did a beautiful job repairing the fiberglass and preparing the body for a new paint job. The pan was replaced with a newly shortened swing axle chassis from a disused '61 Baja Bug; all the running gear was rebuilt; the engine rebuilt ; and new seats, roll bar, upholstery, rims, and tires were purchased. I got the car running (barely) in time to attend the Manx Club outing to the Borrego "Squeeze & Drop-off" this spring but I had installed only enough wiring to run the ignition.
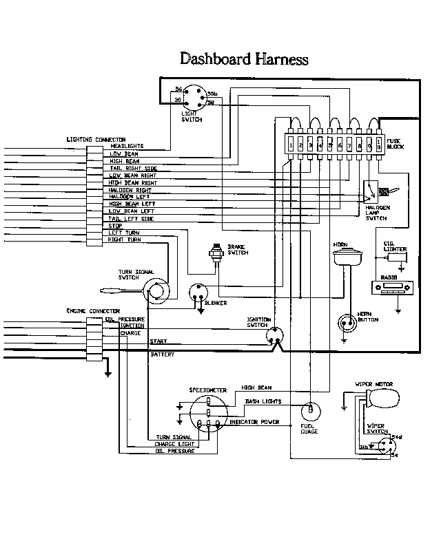
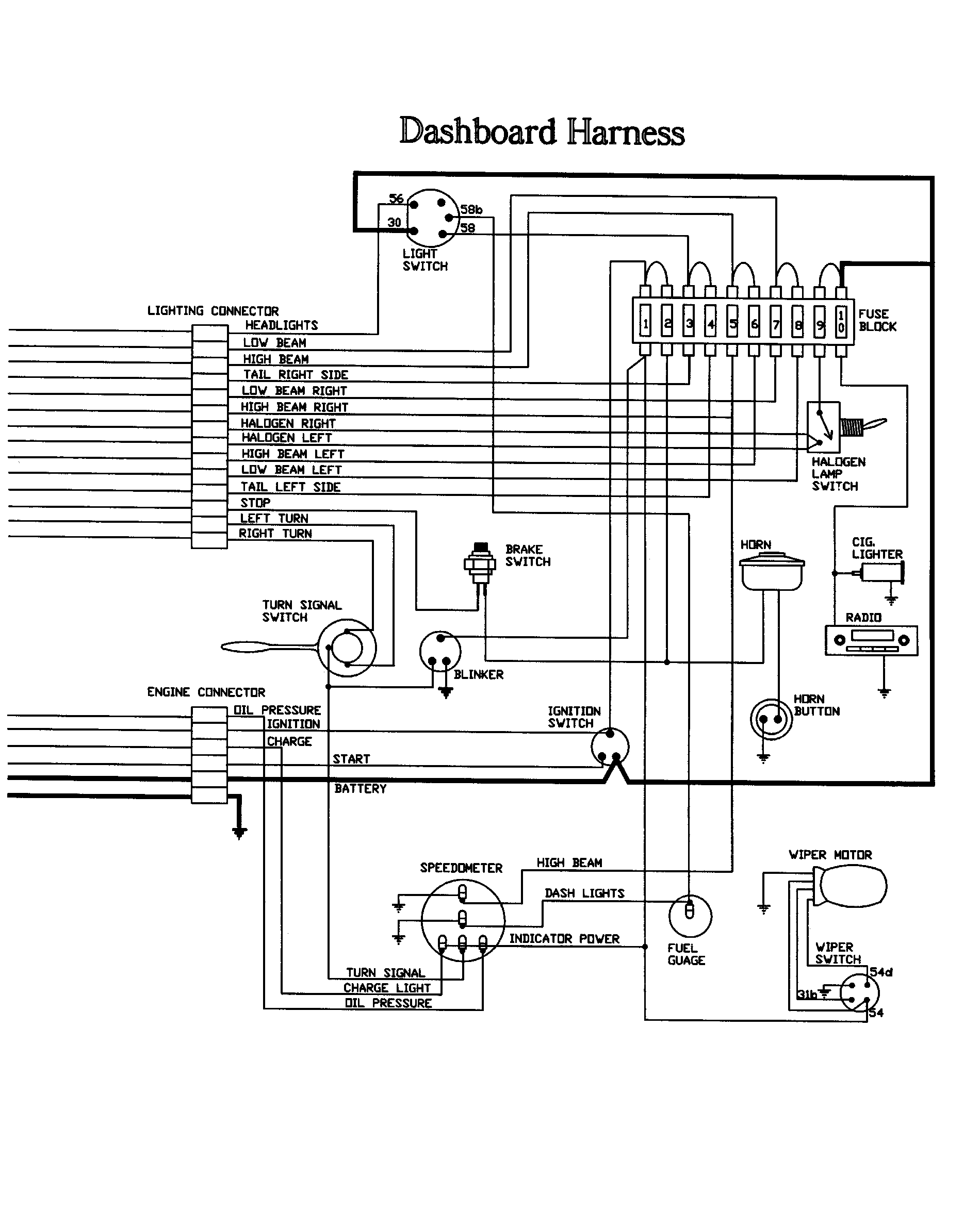
When I returned from the Borrego trip I needed to complete the restoration by installing a totally new wiring harness. I chose to design my own harness rather than purchasing one from a VW shop. The harnesses that are available are not the correct length and must be shortened. They also do not include wires or connectors for the additional equipment I wanted to install. The basis for my design is the wiring diagram from my 1964 version of Henry Elfrink's "Volkswagen Technical Manual". I planned to use the original speedometer, light switch, and wiper switch so Elfrink's wiring was close to my requirements. I have not yet implemented an electronic tach, temperature gauge, or oil pressure gauge but I did include extra wires in the harness for those devices. I updated the Elfrink diagram to include the extra wires and connectors I wanted to install.
I changed the fuse block to a current automotive ATC "spade" type with ten positions rather than the original eight. The extra fuses I used for secondary power to the radio and cigarette lighter. I used two - five position fuse blocks (available at Kragen or Pep Boys) for a total of ten fuses. The AGC type ("glass tube") fuse blocks can also be used but the ATC type fuses are in much more abundant supply. The easy way to attach the fuse block is to epoxy a piece of wood to the underside of the hood or backside of your dash then screw the fuse blocks to the wood. The fuses must be easily accessible so you might consider mounting the fuse block such that the fuses stick out through the dash. You will also need to get the multiple spade lug adapters from Pep Boys to turn one spade lug into two. You will need these to connect more than one wire to positions on the fuse block. It is not a good idea to crimp multiple wires into a single spade connector.
To form the wiring harness I epoxied plastic tie strap hold down blocks along the width of the hood. You could also epoxy pieces of metal "plumber's tape" (1/2" wide galvanized metal strap with holes punched down the center) for this purpose. Before epoxying anything to the fiberglass, the surface must be ground down to remove the wax coating left by the top resin coat. I used short pieces of wire to hold the wires to the tie down blocks until I was nearly finished and then replaced them with tie straps. Make sure you leave room for the wiper motor when forming the harness.
It is important to labeling the wires. I labeled wires at both ends using white plastic labels made from nursery plant identification sticks. These labels can be purchased at a nursery and you get about 50 for a couple dollars. I cut them into 3 labels each and punched holes in them. I used small tie straps to connect them to the wires and a Sharpy Felt pen to write on them. That way the color of the wire is not important. I did use Red wire for power, Black for ground, and some yellow and white for low power items ( indicator lights etc.)
I used two lengths of color coded trailer wire (16 gauge - 4 wires in a flat cable with brown, yellow, green, and red) for rear lights (stop, tail, left, right) and engine (ignition coil, oil pressure, alternator/generator, temp). You could use this wire under the dash as well. For power from the battery to the dash I used 10 gauge automotive stranded wire. The wire from the starter switch to the starter solenoid should be 12 gauge to make sure that the starter always kicks in. I first formed these wires into a harness and then covered them with a split plastic protective cover. I then fished the completed harness into the 2" stiffening tubes that are glassed under the fenders and pulled the wires to the rear of the car. To support the wires above the engine, I attached loops of plumber's tape behind the tail lights and license plate light and then tie strapped the wire bundles to them.
For the Front wiring I used a 25' 14 gauge 3-wire power extension cord that I cut into lengths for left head light, left turn/parking, right head light, right turn/parking. This worked out very nicely, The wires are protected, bundled, and cheap. I ran these wires along side the gas tank under the hood. I attached the wires to the fiberglass with loops of plumber's tape held down with sheet metal screws. You can get plastic straps for this purpose, but they never seem to be the correct size to hold the wires snugly.
When wiring your car you must pay attention to the ground wires. The gauge of the ground wires must be sufficient to carry the current of the device that is being powered. The main current draw under the dash is the cigarette lighter which has a 10 gauge feed wire therefore a 10 gauge ground wire is required between the chassis and the dash. I attached a crimp on ring lugs to both ends of the dash ground and bolted one end to the left shock tower. The bolted the other end to a steel strap that I used to support the windshield wiper motor. I drilled several holes in the strap and used it a the central grounding point for the dash. I then attached a 10 gauge ground wire to the cigarette lighter using a ring type crimp terminal. I attached 16 gauge grounds to the horn button, blinker, radio, wiper motor, and dash lights.
The lighting system must also be correctly grounded. Each rear light assembly must be grounded with a 12-14 gauge wire to the chassis since multiple lights may be on at one time. I grounded the lights to the engine sheet metal screw holes near the spark plugs. Be sure your engine is proper grounded; i.e. there should be a copper ground strap between the chassis and the front transmission mount. The ground cable from the battery should be connected directly to the car chassis or transmission (preferably at one of the starter motor bolts). The front lights have 12 gauge grounds from the headlight ground bolt to a bolt in the shock towers. The front turn signals can be grounded with a 14-16 gauge wire to the shock tower.
I built my first fiberglass buggy in 1966 and it is still on the road. In that car I installed connectors between the dashboard and the body to allow the hood to be easily removed. This also allows the dash to be completely wired when it is off the car and accessible. When the wiring is completed on the dash, the hood can be mounted an the car and the wiring can be plugged into the car harness connector. You will certainly appreciate these connectors to eliminate laying on your back to wire the dash while it is on the car. It is important to get automotive quality connectors to hold the large gauge wires we are using. The proper connectors are 15 pin AMP Mate-N-Lok II connectors that are available from Mouser Electronics at 1-800-346-6873. These connectors use crimp-on pins that are available in 10-12 and 14-20 gauge sizes.
The turn signal blinker can be a confusing device to install. The original VW blinker used a three terminal thermal blinker. One terminal was supplied battery power and one output was connected to the tail lights through the turn signal switch. The other outputs was connected to the speedometer blinker light. The newer style three terminal electronic blinker that I used requires different connections. One terminal is connected to the battery and another to ground. The third terminal connects to the turn signal switch and the speedometer blinker light.
The fuse layout is as follows :
# GAUGE CONNECTION FUSE SIZE GAUGE CONNECTION 1 16 to wiper sw. & blinker 7 amp fuse 16 from ign. sw & engine indicator power 2 16 to brake cyl. switch 7 amp fuse 16 from ign. sw above 3 14 to parking light front 7 amp fuse 16 from parking light switch 4 14 to parking light rear 7 amp fuse 16 from parking light sw above 5 14 to high beam left 15 amp fuse 10 from dimmer sw high above 6 14 to high beam right 15 amp fuse 10 from dimmer sw high above 7 14 to low beam left 15 amp fuse 10 from dimmer sw low beam 8 14 to low beam right 15 amp fuse 10 from dimmer sw low above 9 10 to high power light sw 20 amp fuse 10 from battery 10 16/10 to radio/tocig.lighter 20 amp fuse 10 from battery
VW Lighting switch (60's thru early 70's) :
Blinker : I used a three terminal blinker
Parts List :
Fuse Block
Starter Switch
Connectors
Wire